Arrived as described, simple install, fast shipping, quality product.
250 Gallon Offset Smoker Insulated Fire Box Right Side With Scoop Baffle
This UDS rocks! Had an old drum, sandblasted inside and out. Boiled Linseed outside and Avocado oil inside a couple of heat cycles and we are off and runnin!!! First cook of pork steaks turned out phenomenal. Easy temp management following Franks advise. This thing loves 300deg and as advertised no temp spikes after opening to flip and mop.
Medium Gravity Feed Smoker 24" By 24" Cooking Racks
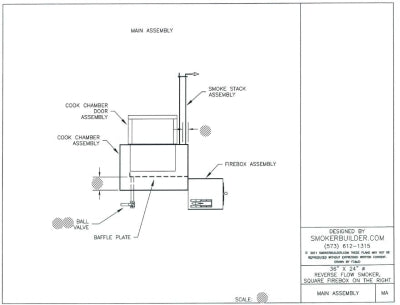
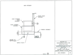
These are pretty good plans if not overly simple. A great starter set



