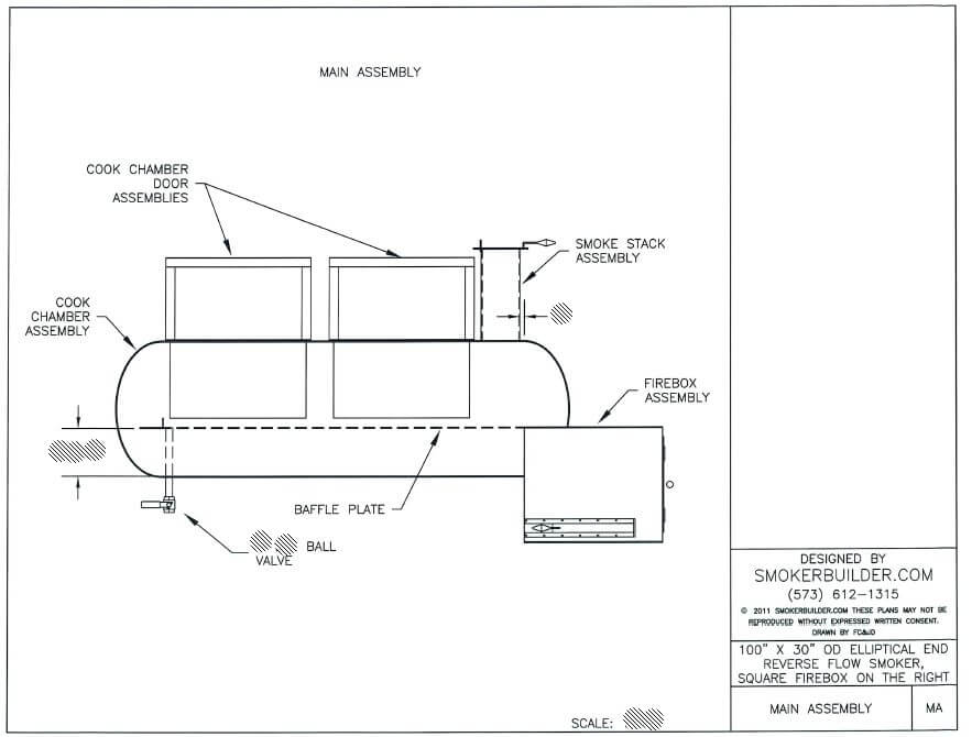
reverse flow smoker blueprint

325 Gal Propane Tank Reverse Flow Smoker 100" long by 30" dia, square fire box right

$79.00
$79.00
325 GALLON PROPANE TANK!!!!! Full 10 page set of smoker plans drawn with Auto Cad for you...
Please hurry! Only 988 left in stock
payment icons
reverse flow smoker blueprint

325 Gal Propane Tank Reverse Flow Smoker 100" long by 30" dia, square fire box right

$79.00

325 Gal Propane Tank Reverse Flow Smoker 100" long by 30" dia, square fire box right

$79.00
[UPGRADE] Add The Sled Plans For Only $50 More And Save 25%: No Thanks
[UPGRADE] Add The 3500 Pound Trailer Plans For Only $50 More And Save 25%: No Thanks

Customer Reviews

Be the first to write a review
0%
(0)
0%
(0)
0%
(0)
0%
(0)
0%
(0)

Related Products